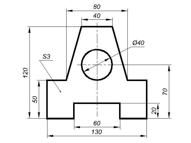
Выполните чертеж детали «Прокладка» по имеющейся половине изображения, разделенного осью симметрии, применяя соответствующий масштаб. Нанесите размеры согласно ГОСТ. Работу выполнить на формате А4 с заполнением основной надписи (материал и масштаб Вашей детали указан в задании).
Должен быть выполнен чертеж целой детали!
У Вас дана только половина, а Вы вычерчиваете целую деталь, помня, что левая и правая половины детали совершенно одинаковые, ведь деталь симметричная!
Учтите, размеры даны на целую деталь!!! Это значит, что длина всей детали 130!
Не забудьте применить заданный масштаб!
Приложения:

Ответы
Ответ дал:
2
Ответ:
Объяснение:
1. Масштаб 1:2 - уменьшение в два раза, т.е. чертим деталь по размерам, уменьшенным в два раза.
2. В каком бы масштабе Вы не чертили, размеры всегда указываются натуральной величины.
3. Штамп. Извините, но я не знаю какой штамп используется в Вашем учебном заведении.
Приложения:




Вас заинтересует
2 года назад
3 года назад
8 лет назад
8 лет назад
9 лет назад