(Даю 50 баллов!!!) Определите сопротивление между выводами участка цепи, схема которого изображена на рисунке. Известно, что R=100 Ом. Найдите отношение токов, текущих через резисторы с сопротивлениями 2R и 5R, то есть I2RI5R. Ответ округлите до целого числа.
Приложения:

555ai555:
треугольник в звезду нужно преобразовывать однако
Ответы
Ответ дал:
3
Ответ:
Объяснение:
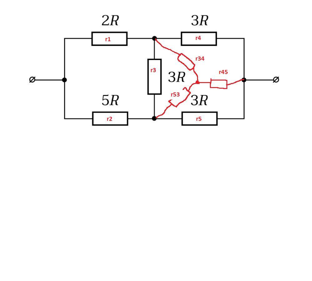
Преобразуем r3. r4. r5 в звезду (на рисунке красным)
r34 = r3*r4 / (r3+r4+r5) = 3R*3R / (9R) = R
r45 = r4*r5 / (r3+r4+r5) = 3R*3R / (9R) = R
r53 = r5*r3 / (r3+r4+r5) = 3R*3R / (9R) = R
Ну итак как все сопротивления равны, то
r34 = r45 = r53 = R
r134 = r1+r34 = 2R+R=3R
r253 = r2 + r53 = 5R+R = 6R
r134253 = r134*r253 / (r134 + r253) = 3R*6R / (3R+6R) = 2R
Тогда Общее сопротивление цепи
Rob = r134253 + r45 = 2*R + R = 3R
Приложения:

Вас заинтересует
2 года назад
2 года назад
3 года назад
9 лет назад