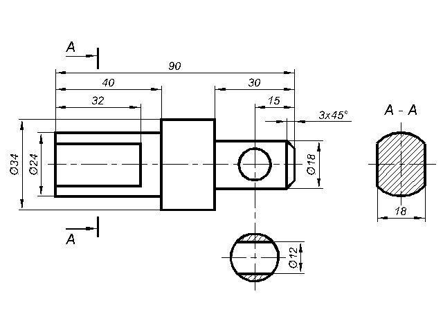
Побудувати переріз на одному з рисунків(на вибір)

Приложения:

Ответы

Ответ дал: Букса
1

Ответ:

Объяснение:

+++++++++++++++++++++

Приложения:

Аноним: Дуже дякую)
Букса: Удачи ВАМ!!!
Вас заинтересует