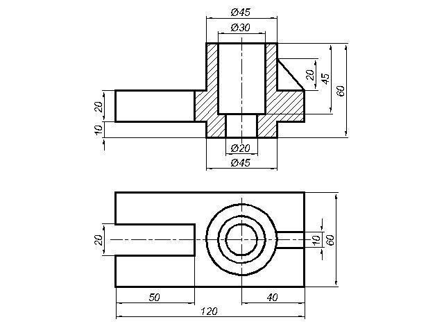
Помогите пожалуйста, срочно нужен фронтальный разрез по двум заданным фигурам.
Заранее благодарю:)
Приложения:
Ответы
Ответ дал:
1
Ответ:
Объяснение:
++++++++++++++++++++++++
Приложения:
Аноним:
Букса помогите пожалуйста, пожалуйста
Вас заинтересует
3 года назад
3 года назад
9 лет назад
9 лет назад
10 лет назад