Ответы
Ответ дал:
1
Ответ:
Объяснение:
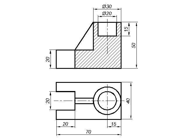
Вид спереди (главный вид) заменен на фронтальный разрез. Обозначать не нужно, т.к. выполнен по оси симметрии. Ребро штриховать не нужно.
Приложения:
Вас заинтересует
2 года назад
2 года назад
3 года назад
9 лет назад
9 лет назад
10 лет назад