помогите!)
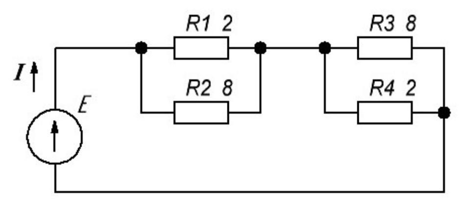
В электрической схеме, приведённой на рисунке, ток, протекающий через резистор R4, равен I4 = 1 А. Определить ток I , потребляемый от источника. Все номиналы сопротивлений резисторов указаны в омах.
Приложения:

Ответы
Ответ дал:
0
ток равен 37492 минус 7394= 1
Вас заинтересует
2 года назад
2 года назад
2 года назад
2 года назад
8 лет назад
8 лет назад
9 лет назад