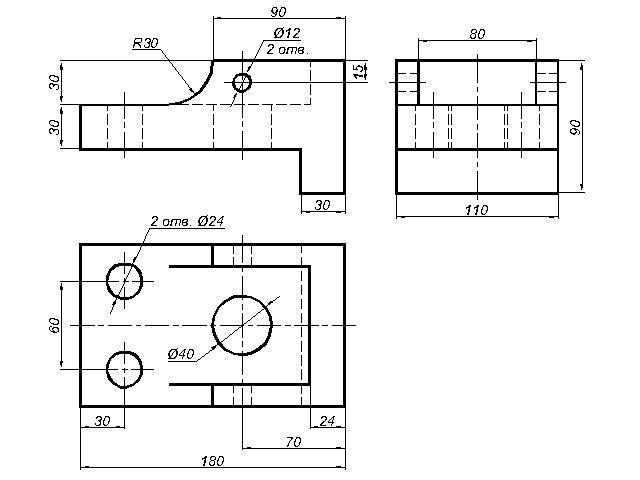
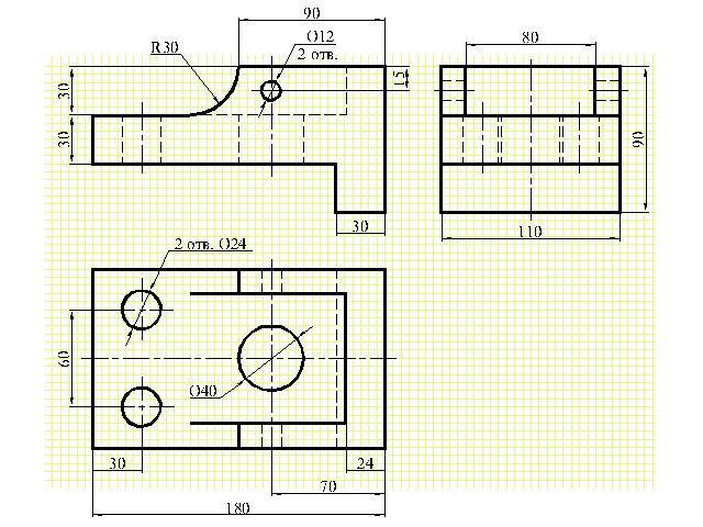
По двум видам модели построить третий вид. указать размеры.
Приложения:
kozerog014:
Тебе файлом в компасе или каким образом?
Ответы
Ответ дал:
1
Ответ:
Объяснение:
++++++++++++++++++++++++++
Приложения:
Помоги плиз с вопросами?
Вас заинтересует
2 года назад
2 года назад
3 года назад
3 года назад
9 лет назад
10 лет назад