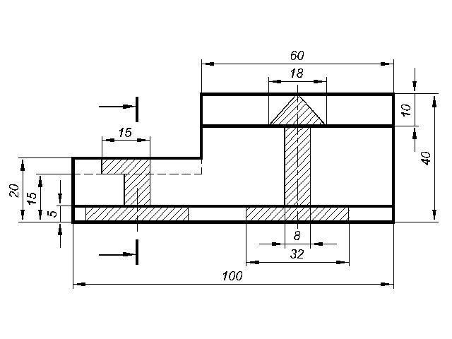
75 баллов!!! По аксонометрическому чертежу выполните чертеж с необходимыми наложенными сечениями. Алюминий. Прокат.
Приложения:

Ответы
Ответ дал:
1
Ответ:
Объяснение:
Обратите внимание, что сечение, расположенное левее, я указала со стрелками, т.к. сечение не имеет оси симметрии и в этом случае нужно показывать направление взгляда.
Приложения:


mextievadi69:
Огромное спасибо!)
Вас заинтересует
2 года назад
8 лет назад
8 лет назад
9 лет назад