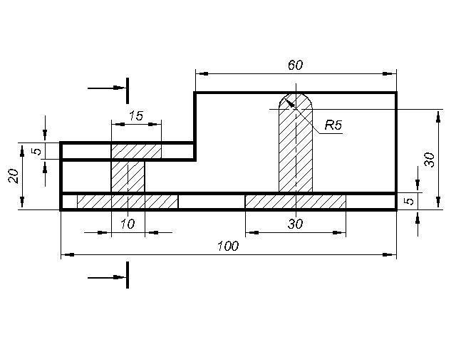
черчение!!! срочно!!! 70 баллов!!! по аксонометрическому чертежу выполните чертеж с необходимыми наложенными сечениями. алюминий. прокат
Приложения:
Ответы
Ответ дал:
1
++++++++++++++++++++++
Приложения:
Вас заинтересует
2 года назад
2 года назад
3 года назад
3 года назад
9 лет назад
10 лет назад
10 лет назад