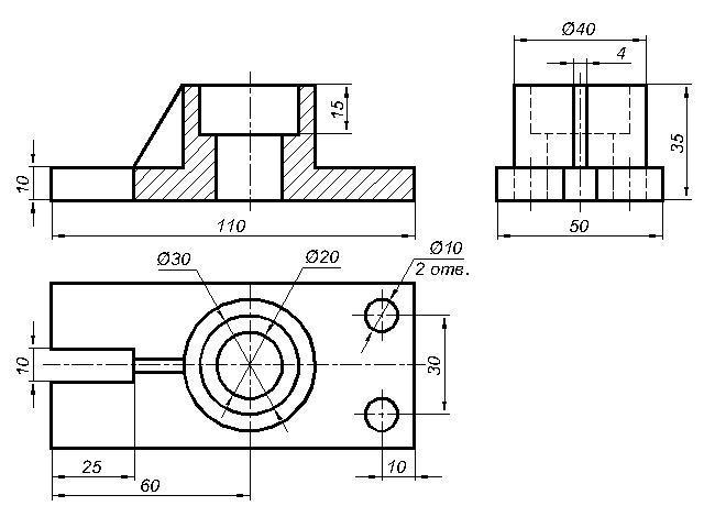
Здравствуйте Букса , Помогите пожалуйста, Срочно
нужно 3d вид !
Приложения:

Букса:
Какой разрез нужен (простой, ступенчатый, местный)?
Ответы
Ответ дал:
2
++++++++++++++++++++++++++++
Приложения:



Вас заинтересует
2 года назад
2 года назад
2 года назад
2 года назад
8 лет назад
9 лет назад
9 лет назад