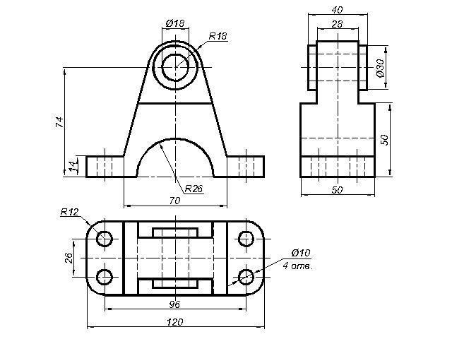
Всем привет, помогите пожалуйста, нужно 1) дочертить недостающию проекцию (т.е. горизонтальную проекцию), 2) нанести размеры согласно ГОСТ-2307-68, 3) построить аксонометрическое изображение
Приложения:
Ответы
Ответ дал:
1
+++++++++++++++++++++++++++++
Приложения:
frickeryep:
СПАСИБО БОЛЬШОЕ ЗА ТО ЧТО ПОМАГАЕТЕ МНЕ
ПРЯМ ОТ ДУШИ
Удачи Вам!!!
Вас заинтересует
2 года назад
3 года назад
3 года назад
8 лет назад
10 лет назад