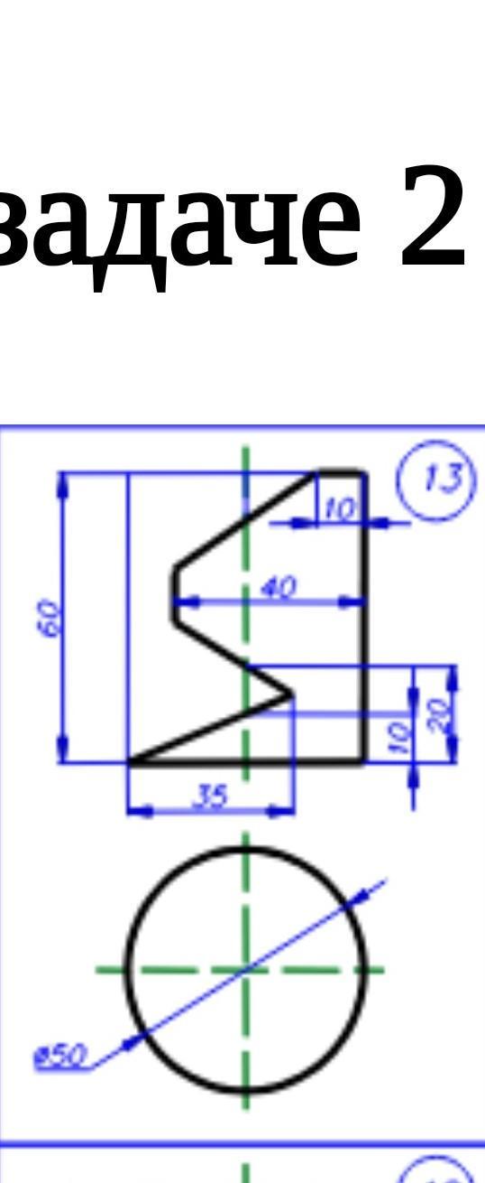
Букса Помогите пожалуйста построить третью проекцию ​

Приложения:

Ответы

Ответ дал: Букса
1

++++++++++++++++++++++++

Приложения:

aallllll: спасибо большое
versachexdior: Букса мне тоже помогите щас вопрос выложу
Вас заинтересует