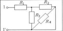
Определите входное сопротивление схемы относительно зажимов 1-1
во всех схемах R1 = R2 = R3 = R4 = 10 Oм
Приложения:

Ответы
Ответ дал:
1
Ответ:
15 Ом
Объяснение:
R4 не учитываем, оно замкнуто.
R=R1+R2*R3/(R2+R3)=10+10/2=15 Ом
========================
Вас заинтересует
2 года назад
2 года назад
2 года назад
8 лет назад
8 лет назад
9 лет назад