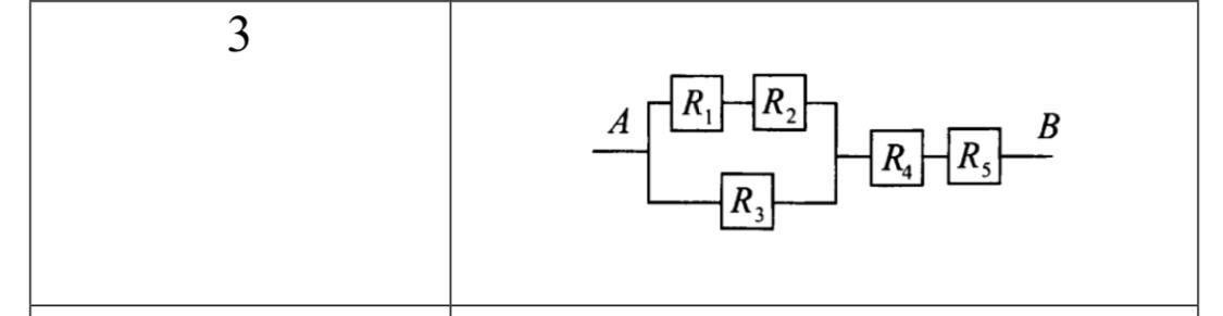
рассчитать полное сопротивление цепи; сопротивление всехрезистороводинаковоиравноR1 =R2 =R3 =R4 =R5 =1Ом.
Приложения:

Ответы
Ответ дал:
0
Ответ:
Объяснение:
R₁₂ = R₁ + R₂ = 1 + 1 = 2 Ом
R₁₂₃ = R₁₂·R₃ / (R₁₂ + R₃) = 2·1 / (2+ 1) ≈ 0,7 Ом
Сопротивление цепи:
Rобщ = R₁₂₃ + R₄ + R₅ = 0,7 + 1 + 1 = 2,7 Ом
Вас заинтересует
2 года назад
2 года назад
2 года назад
2 года назад
8 лет назад
8 лет назад