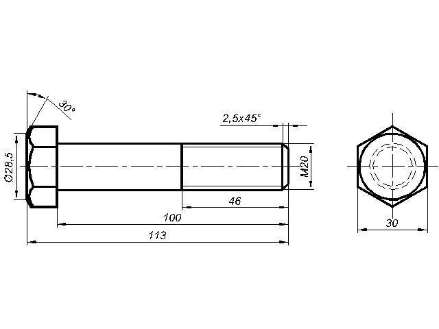
Черчение. Задание, где перевернутый треугольник. СРОЧНО, ПОЖАЛУЙСТА.
Приложения:
Букса:
Где таблица ?
Добавила таблицу
Ответы
Ответ дал:
1
+++++++++++++++++++++++++++
Приложения:
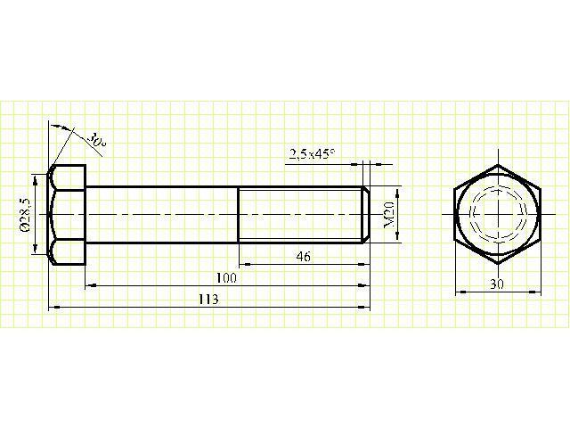
Здравствуйте, помогите пожалуйста с черчением. Вопрос у меня в профиле.
Вас заинтересует
2 года назад
3 года назад
3 года назад
9 лет назад
9 лет назад
10 лет назад