• Предмет: Физика
  • Автор: ZombikGame
  • Вопрос задан 7 лет назад

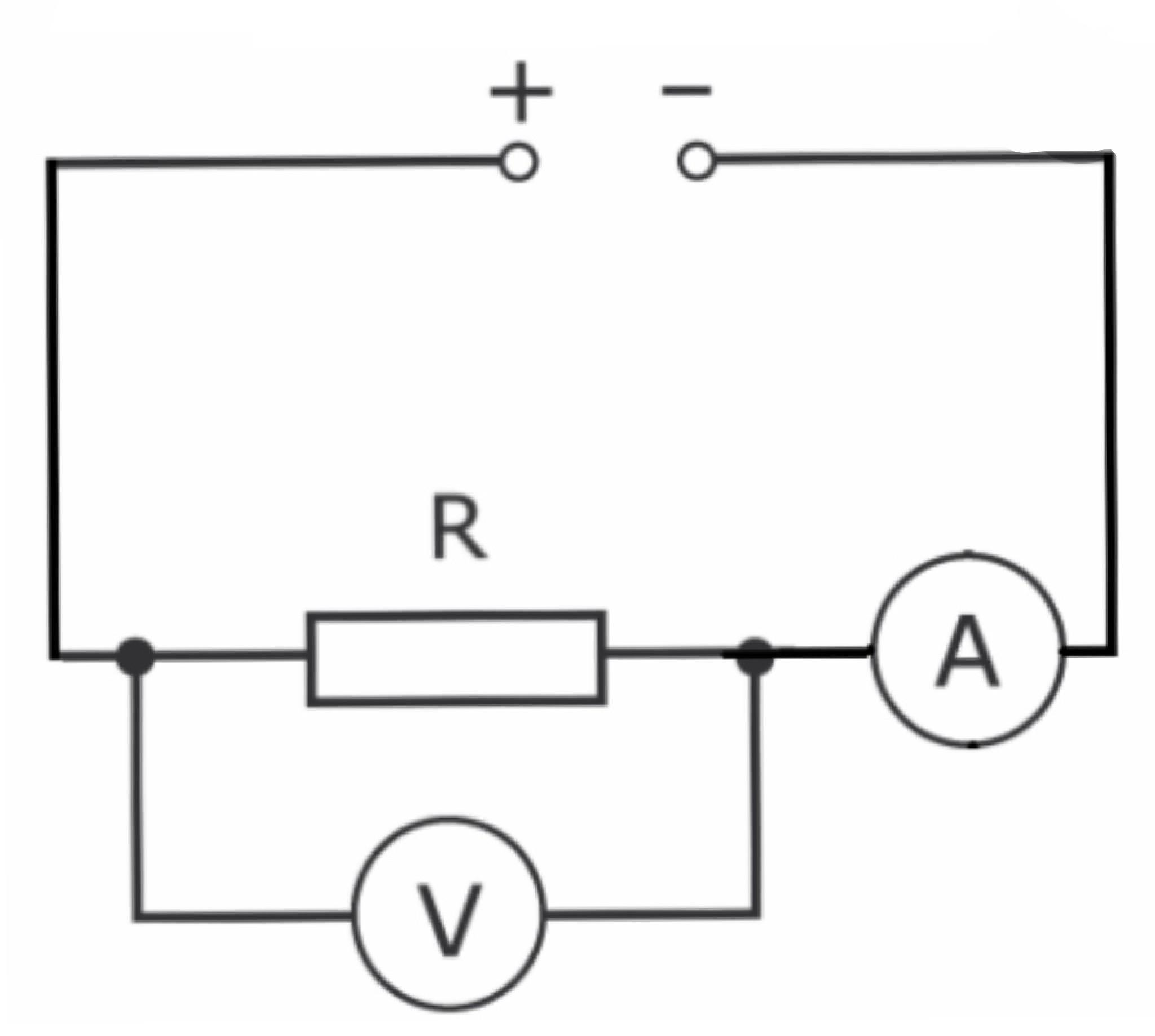
. Выполняя практическую работу, ученик измерил силу тока в резисторе сопротивлением R = 6 Ом и напряжение на этом резисторе. Определите показания вольтметра, если амперметр показал I = 0,8 А. Начертите схему включения резистора, вольтметра и амперметра в электрической цепи.

Ответы

Ответ дал: mariayu13
1

Объяснение:

I=U/R,U=IR=0,8*6=4,8B

Приложения:

ZombikGame: спасибо
mariayu13: пожалуйста
Вас заинтересует