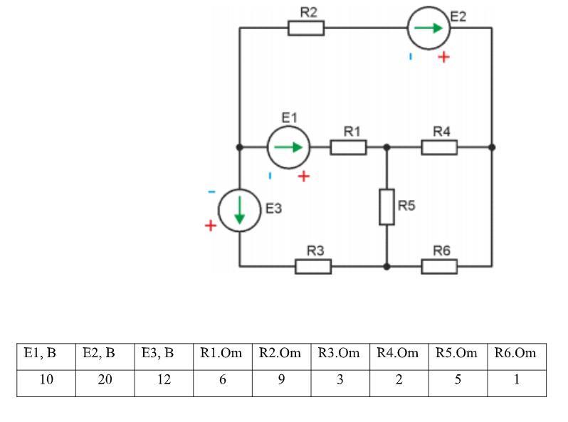
Составить систему уравнений, необходимых для определения токов,
по законам Кирхгофа.

Ответы
Объяснение:
Для начало расставляем в условном поводке токи в ветвях. Затем записываем уравнения по 1 и 2 закону Кирхгофа. Количество уравнений для первого закона определяется: количество узлов минус один. На схеме 4 узла (a, b, c, d), поэтому будет 4 - 1 = 3 уравнения.
Количество уравнений для второго закона определяется числом независимых контуров. На схеме 3 независимых контура, соответственно будет 3 уравнения.
Для первого закона знак тока определяется тем, что ток выходит или заходит в узел, соответственно будет знак минус или плюс.
Для второго закона знак определяется направлением обхода контура, в основном по часовой стрелке, если ток совпадает по направлению то берется со знаком плюс, если не совпадает, то минус. Тоже самое и с источниками ЭДС.
