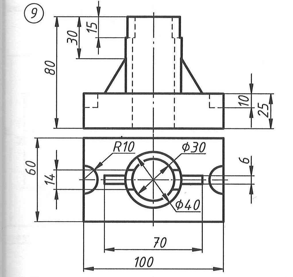
По двум видам детали построить третий. Выполнить необходимые разрезы. Проставить размеры.
Приложения:

Ответы
Ответ дал:
1
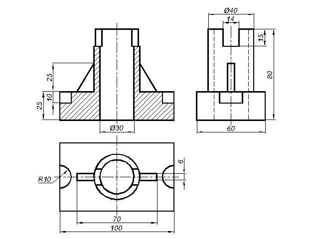
Вид спереди заменила фронтальным разрезом.
Приложения:


Вас заинтересует
2 года назад
2 года назад
9 лет назад
9 лет назад