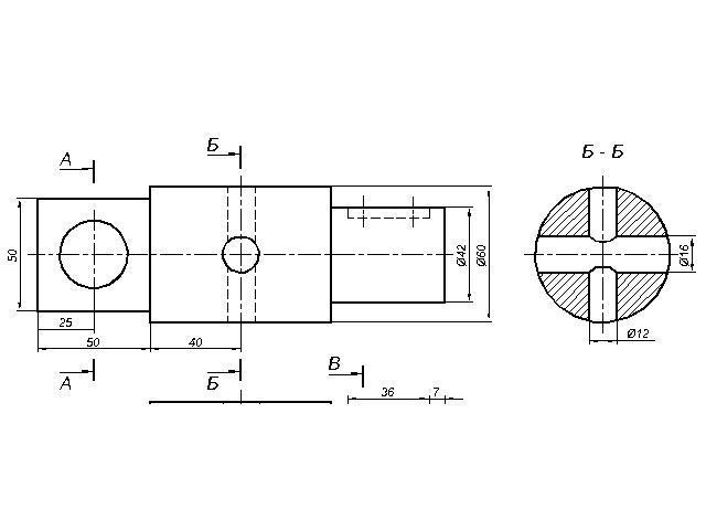
ПОМОГИТЕ ПОЖАЛУЙСТА БУДУ ОЧЕНЬ БЛАГОДАРЕН. По аксонометрическому изображению вала построить вид спереди, выполнить три сечения (положения секущих плоскостей) и нанести размеры. КАК НА ПРИМЕРЕ
Приложения:
Ответы
Ответ дал:
1
++++++++++++++++++++++++++++++
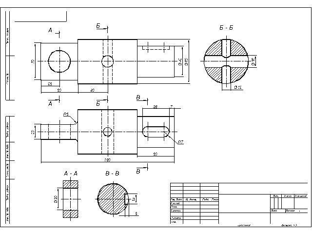
Приложения:
frickeryep:
Вы прям меня спасли, спасибо
Простите что так мало баллов поставил, сколько было поставил)
Не в баллах дело, просто не так просто найти Ваши вопросы в таком потоке. Попался вопрос Вашего друга, автоматически, стала искать Ваш вопрос.
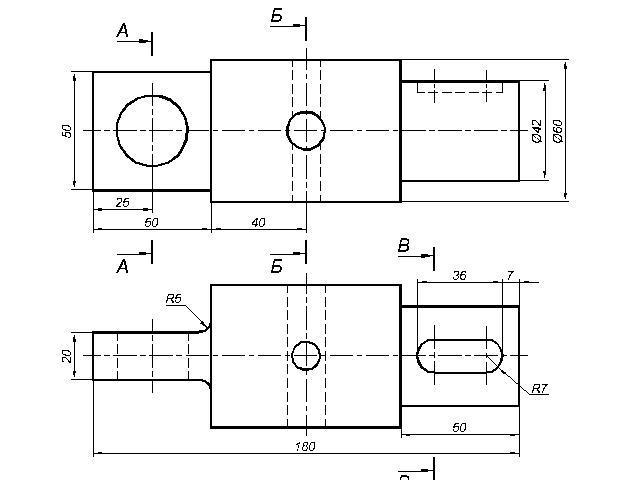
Пришлось начертить два вида детали, т.к. Вы не изучали местные разрезы, а по невидимым линиям размеры не указывают.
Я очень рад что вы мне помогаете, благодаря вам получаю одни пятёрки, просто тогда хотел сдать как можно быстрее сдать эту работу и вот написал, что срочно надо
Спасибо!
Удачи!
Доброе утро! Вы хотите сказать, что преподаватель уже видел Ваш чертеж?
Вас заинтересует
2 года назад
3 года назад
3 года назад
8 лет назад
8 лет назад
10 лет назад