Черчение Построить третье изображение детали по двум заданным.
Выполнить разрезы на передней и профильной проекциях.
Приложения:

Букса:
Извините, но меня интересует, нужно выполнить простые разрезы или совмещение 1/2 вида и 1/2 разреза?
Ответы
Ответ дал:
2
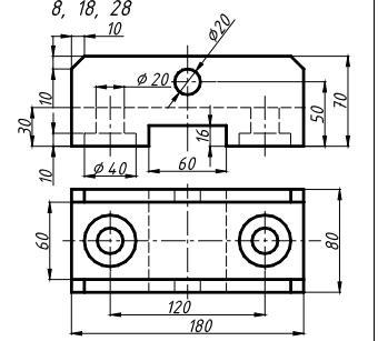
В задании допущена ошибка: на виде сверху отверстие диаметром 40 мм должно быть изображено штриховой линией, т.к. его на виде сверху не видно.
Первый чертеж в приложении - выполнены простые фронтальный и профильный разрезы.
Второй чертеж в приложении - вид спереди (главный) и вид слева выполнены, как 1/2 вида + 1/2 разреза.
Обмениваться личными данными здесь нельзя - забанят.
Удачи Вам!
Приложения:



Вас заинтересует
2 года назад
2 года назад
2 года назад
8 лет назад
9 лет назад
9 лет назад