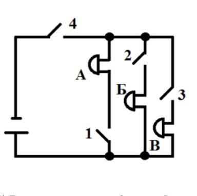
1) При замыкании ключа 3 звонок В…
а)не звонит
б)звонит
2)При замыкании ключа 4 и размыкании ключа 3 звонок В…
а)не звонит
б) звонит
3)При одновременном замыкании ключа 4 и ключа 3 звонок В….
а) не звонит
б) звонит
СРОЧНО 10 МИНУТ ОСТЛОСЬ
Приложения:

Ответы
Ответ дал:
0
Ответ:
1) а 2) а 3) б
Объяснение:
Вас заинтересует
2 года назад
8 лет назад
9 лет назад
9 лет назад