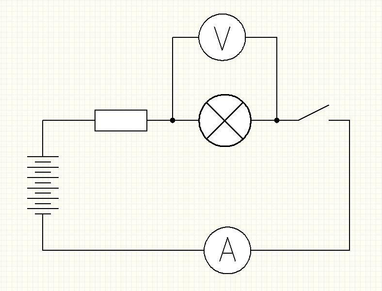
Накресліть схему з’єднання акумулятора, резистора, лампочки, ключа, вольтметра та амперметра. Ввімкніть вольтметр так, щоб він вимірював напругу лише на лампочці, і при замиканні ключа струм протікав і через лампочку і через резистор.
Ответы
Ответ дал:
0
Ответ:
См. приложение
Объяснение:
Приложения:

Вас заинтересует
2 года назад
2 года назад
2 года назад
2 года назад
8 лет назад
8 лет назад
9 лет назад