ЧЕРЧЕНИЕ
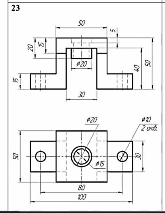
Помогите пожалуйста найти разрез на чертеже, можете закрасить место штрихом где должен быть разрез.
Приложения:
Ответы
Ответ дал:
1
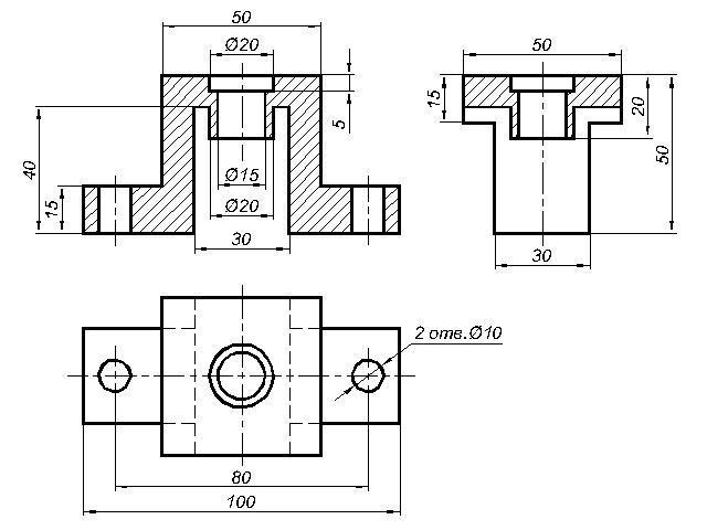
Выполнила фронтальный и профильный разрезы.
Для этой детали достаточно вид спереди заменить фронтальным разрезом.
Приложения:
Вас заинтересует
2 года назад
3 года назад
3 года назад
8 лет назад
8 лет назад
10 лет назад