• Предмет: Физика
  • Автор: kucherarsen2007
  • Вопрос задан 7 лет назад

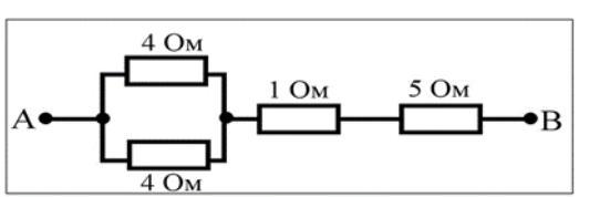
Знайдіть опір ділянки кола на рисунку.
Срочно!!!!

Приложения:

Ответы

Ответ дал: boikomaksim007
2

Ответ:

8 Ом

Объяснение:

При паралельному з'єднанні провідників опір ділянки кола визначається за формулою:

R=(R1×R2)/(R1+R2)=(4×4)/(4+4)=2Ом

При послідовному з'єднанні провідників опір ділянки:

R=R1+R2+R3=2+1+5=8 Ом.

Вас заинтересует