Ответы
Ответ дал:
0
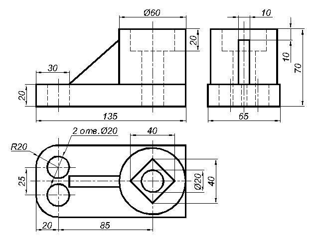
Для таких деталей нужно делать разрез, т.к. размеры не указывают по невидимым (штриховым) линиям. Не стала делать разрез, возможно, Вы не изучали такую тему по черчению.
Приложения:


Вас заинтересует
2 года назад
2 года назад
8 лет назад
8 лет назад
9 лет назад