Срочно 90 баллов!!!!!!
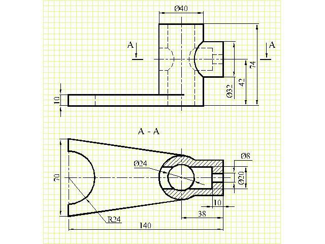
По заданию учителя перечертите главный вид и постройте горизонтальный разрез одной из деталей (рис. 187). На
полученном чертеже нанесите размеры.
Приложения:

Ответы
Ответ дал:
2
++++++++++++++++++++++++++++++
Приложения:



Eгор43:
Здравствуйте, Букса. Вы бы не могли и мне помочь, пожалуйста?!! https://znanija.com/task/48941176
Вас заинтересует
2 года назад
2 года назад
8 лет назад
8 лет назад
9 лет назад