• Предмет: Физика
  • Автор: deltafoxonelove
  • Вопрос задан 7 лет назад

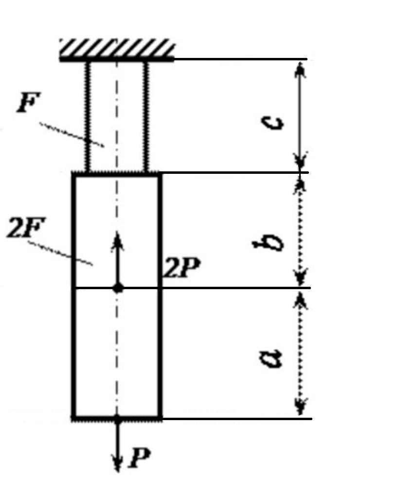
Стальной стержень (модуль Юнга Е = 2 · 10^{5} МПа) находится под действием внешних осевых сил P и 2P (смотр. рисунок). Построить эпюры продольных сил N и нормальных напряжений σ. Оценить прочность стержня, если предельное напряжения (предел текучести) σ т. = 240 МПа, а допустимый коэффициент запаса крепости [n = 1,5]. Найдите удлинение стержня Δl.
Выходные данные к задаче:
F = 2,4 см²
a = 1,2 м
b = 1,6 м
c = 1,4 м
P = 23 кН

Приложения:

Ответы

Ответ дал: dedulja66let
1

Ответ:

Объяснение:

Дано:

E = 2·10⁵ МПа

F = 2,4 см²

а = 1,2 м

b = 1,6 м

с = 1,4 м

P = 23 кН

n = 1,5

______________

Эпюры N и σ - ?

Продольные силы:

N₁ = P = 23 кн

N₂ = N₃ = P - 2P = - P = - 23 кН

Напряжения:

σ₁ = N₁ / (2F) = 23 000 / 4,8 = 4 772 МПа

σ₂ = N₂ / (2F) = -23 000 / 4,8 =  - 4 772 МПа

σ₃ = N₃ / (F) = - 23 000 / 2,4 = - 9 584 МПа

σпр = n· | σ₃ | = 1,5·9584 ≈ 14 000 МПа

σт < σпр    (240 МПа < 14 000 МПа)

Стержень не прочен.

Приложения:
Вас заинтересует