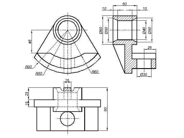
По двум проекциям детали построить её третью
проекцию, выполнить необходимые разрезы и сечения
Приложения:

Ответы
Ответ дал:
2
Начертила профильный разрез и на виде сверху выполнила местный разрез, чтобы показать толщину ребра.
Приложения:


Вас заинтересует
2 года назад
2 года назад
2 года назад
9 лет назад