Помогите разобрать задачу, пожалуйста.
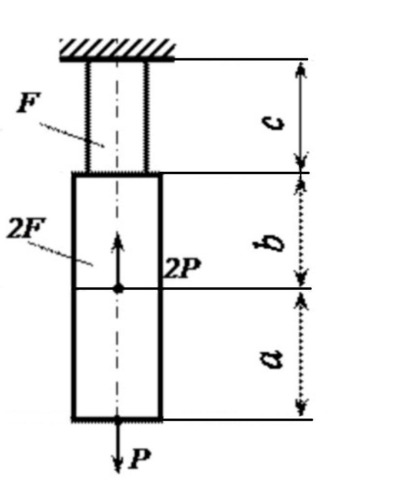
Стальной стержень (модуль Юнга Е = 2 ·
МПа) находится под действием внешних осевых сил P и 2P (смотр. рисунок). Построить эпюры продольных сил N и нормальных напряжений σ. Оценить прочность стержня, если предельное напряжения (предел текучести) σ т. = 240 МПа, а допустимый коэффициент запаса крепости [n = 1,5]. Найдите удлинение стержня Δl.
Выходные данные к задаче:
F = 2,4 см²
a = 1,2 м
b = 1,6 м
c = 1,4 м
P = 23 кН
Приложения:

Ответы
Ответ дал:
1
Ответ:
Объяснение:
Дано:
E = 2·10⁵ МПа
F = 2,4 см²
а = 1,2 м
b = 1,6 м
с = 1,4 м
P = 23 кН
n = 1,5
______________
Эпюры N и σ - ?
Продольные силы:
N₁ = P = 23 кн
N₂ = N₃ = P - 2P = - P = - 23 кН
Напряжения:
σ₁ = N₁ / (2F) = 23 000 / 4,8 = 4 772 МПа
σ₂ = N₂ / (2F) = -23 000 / 4,8 = - 4 772 МПа
σ₃ = N₃ / (F) = - 23 000 / 2,4 = - 9 584 МПа
σпр = n· | σ₃ | = 1,5·9584 ≈ 14 000 МПа
σт < σпр (240 МПа < 14 000 МПа)
Стержень не прочен.
Приложения:

Вас заинтересует
2 года назад
2 года назад
2 года назад
8 лет назад
8 лет назад
9 лет назад