• Предмет: Физика
  • Автор: legendarykesha007
  • Вопрос задан 7 лет назад

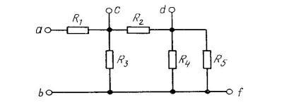
Для схемы, изображенной на рис. 1, найдите эквивалентные сопротивления между указанными в таблице индивидуальных заданий зажимами. R1 - 2 кОм, R2 - 5 кОм R3 - 15 кОм, R4 - 5 кОм, R5 - 20 кОм. Зажим c-d. помогите пожалуйста с решением

Приложения:

Ответы

Ответ дал: arkadiymarin
1

Ответ:

Rc-d≈ 4кОм

Объяснение:

Находим общее сопротивление трех нижних резисторов:

R=R3+R4*R5/(R4+R5)=15+100/25=19 кОм

Находим Rc-d:

Rc-d=R*R2/(R+R2)=19*5/(19+5)≈ 4кОм

Вас заинтересует