• Предмет: Физика
  • Автор: m9snik2
  • Вопрос задан 7 лет назад

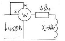
Определите реактивную мощность всей цепи
а)48 Вар
б)42 Вар
в)24 Вар
г)50 Вар
д)84 Вар

Приложения:

Ответы

Ответ дал: ajnebatocyrenova
0

Ответ:

Ответ: реактивная мощность Г) 50 Вар

Вас заинтересует