• Предмет: Физика
  • Автор: hijey6965
  • Вопрос задан 3 года назад

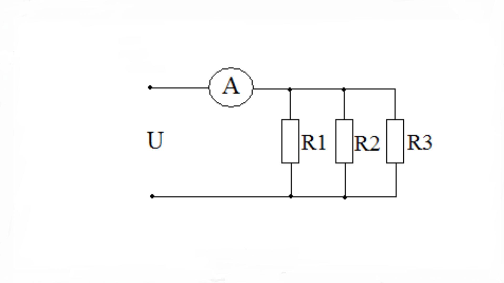
Опори резисторів R1=R2=R3=30Ом. Напруга U=9В. Визначити показання
амперметру.

Приложения:

Ответы

Ответ дал: akbotazhaksy
2

Ответ:

I=0,9A

Пояснення рішення задачі можна побачити в фотографії.

Приложения:
Вас заинтересует