• Предмет: Физика
  • Автор: anastasiyaslepicheva
  • Вопрос задан 3 года назад

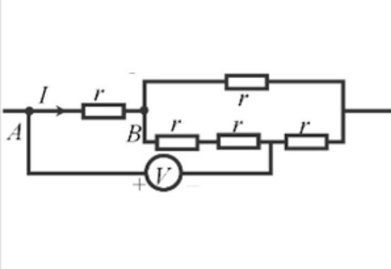
Пять одинаковых резисторов с сопротивлением r = 1 Ом соединены в электрическую цепь, схема которой представлена на рисунке. По участку АВ течёт ток I = 4 А. Какое напряжение показывает идеальный вольтметр? Ответ дайте в вольтах

Приложения:

vasyael: Вольтметр покажет 6В.
555ai555: точно!

Ответы

Ответ дал: dina1003
2

Ответ:

6 Вольт

Объяснение:

пусть вторая точка крепления вольтметра С

участок АВ, ток 4А, сопротивление 1 Ом, напряжение 4А*1 Ом=4 В

участок ВС, т.к ток по верхней ветке идёт в 3 раза больший, чем по нижней (сопротивление меньше в 3 раза), то внизу ток 1А, наверху 3А. Ток 1А, сопротивление двух резисторов 2 Ом, напряжение равно:

1А*2 Ом=2В

сумма 4В +2В = 6В


555ai555: Эх, если б еще формулами, цены б не было!
Вас заинтересует