Пожалуйста срочно сопромат даю 100балов
Дано:
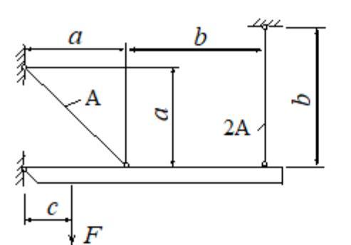
Горизонтальний абсолютно жорсткий брус АВ має одне шарнірно-нерухоме закріплення та підтримується стальними стержнями 1 і 2, кінці яких шарнірно закріплені.
Е =2·10^5 МПа, [σ]=160 МПа, а =2,7м, b=2,4м, с =1,7м, A=13см^2
Знайти:
1. Зусилля та напруження в стальних стержнях BC та BD (в частинах сили F ).
2. Допустиме навантаження F, прирівнявши найбільше із напружень в стержнях до допустимого.
Приложения:
bogdan88good:
А ти точно 4 клас
НЕЕЕЕ
Тот же вопрос
Ответы
Ответ дал:
0
Ответ:
Transmission error
Объяснение:
Вас заинтересует
2 года назад
2 года назад
2 года назад
8 лет назад
8 лет назад
9 лет назад