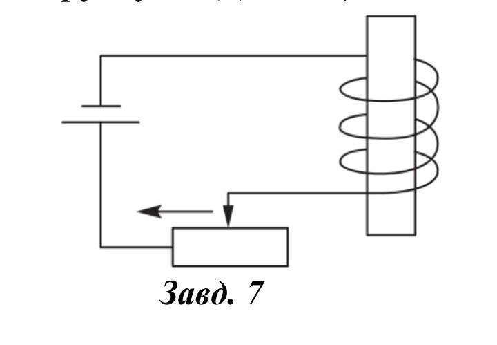
ДАЮ 50 БАЛЛОВ!!!7. Як зміниться підіймальна сила електромагніту, якщо повзунок реостата переміститив напрямку, зазначеному на рисунку? Намалювати малюнок. Відповідь обґрунтуйте.
Приложения:

Ответы
Ответ дал:
1
Ответ:Збільшиться
Пояснення: В данному положені маємо досить великий опір реостата, тому струм залежить від опору і він менший, якщо рухаємо реостат вправо(за стрілкою) як кажуть, виводимо реостат, опір зменшується , струм зростає в набуде
макс.значення, коли повзунок реостату
дійде до краю.
Пояснення: В данному положені маємо досить великий опір реостата, тому струм залежить від опору і він менший, якщо рухаємо реостат вправо(за стрілкою) як кажуть, виводимо реостат, опір зменшується , струм зростає в набуде
макс.значення, коли повзунок реостату
дійде до краю.
Вас заинтересует
2 года назад
2 года назад
7 лет назад
9 лет назад