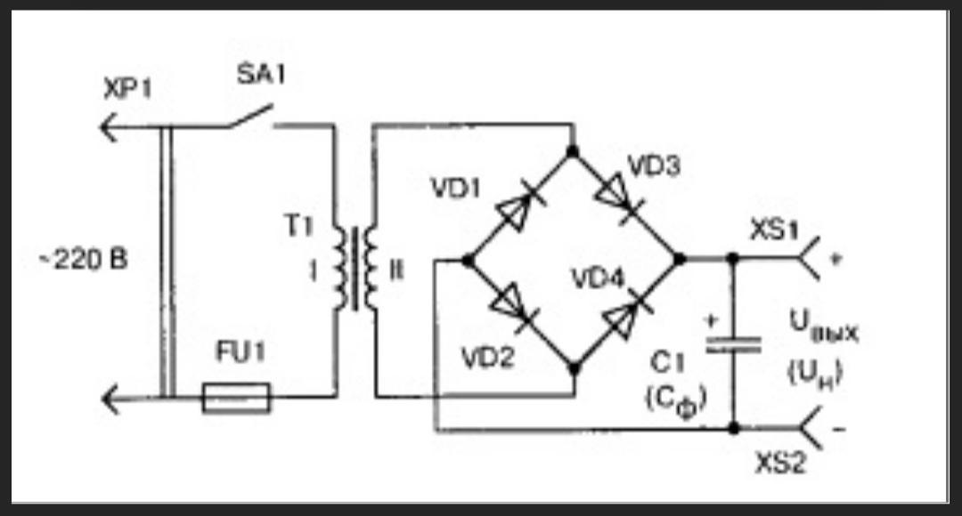
Подобрать параметры элементов электрической цепи рисунок дан: предохранителя, трансформатора, диодов, конденсатора, для получения выходного напряжения, равному 7
Приложения:

Ответы
Ответ дал:
0
Ответ:
Объяснение:
Я ТАК ЗАХОТЕЛ , понял?
Вас заинтересует
1 год назад
1 год назад
1 год назад
1 год назад
3 года назад
8 лет назад