Срочноо будь ласка !!!!
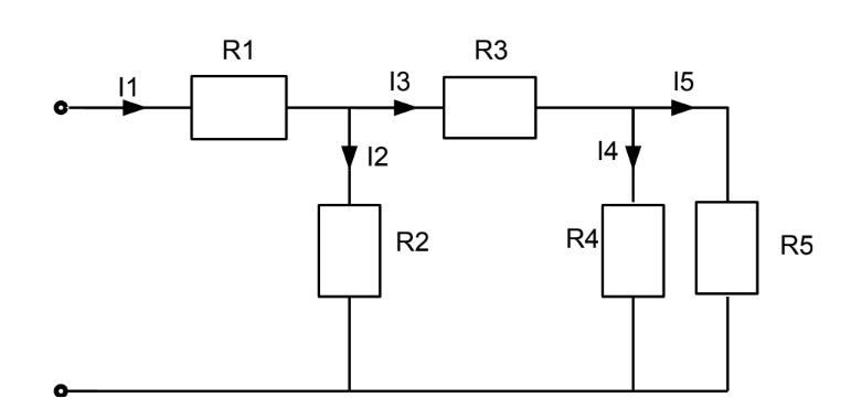
При заданому струмі І5 = 4 А визначити напругу та споживану колом
потужність, якщо: R1 = R2 = R3 = 10 Ом, R4 = R5 = 5 Ом
Приложения:

Ответы
Ответ дал:
4
Ответ: 160В; 2,56кВт
Объяснение:
Дано:
R1 = R2 = R3 = 10 Ом,
R4 = R5 = 5 Ом
I5=4A
-------------------
U-?; Р-?
U5=U4=I5*R5=4*5=20В
I4=U4/R4=20/5=4А
I3=I4+I5=4+4=8А
U3=U2=I3*R3=8*10=80В
I2=U2/R2=80/10=8А
I1=I=I2+I3=8+8=16А
U=I1*R1=16*10=160В
Р=U*I=160*16=2560Вт=2,56кВт
maks76658:
можнаа будь ласка меніі такожжж
Вас заинтересует
1 год назад
1 год назад
1 год назад
1 год назад
3 года назад
3 года назад
8 лет назад