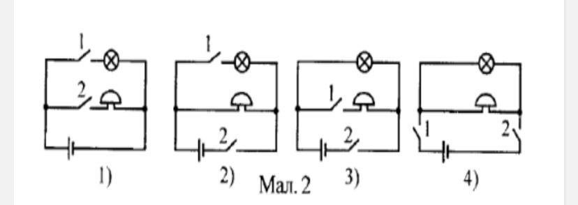
У якому випадку (малюнок 2) зображено
схему кола, в якому при замиканні ключа 2, дзвінок працює, а лампочка не світить?
А) А - позитивно, В - негативно;
Б)Ai B- ПОЗИТиВНО;
B) A i B - негативно;
Г) A - негативно, В - позитивно.
допоможіііть пжжж, даю 100балів
Приложения:

Ответы
Ответ дал:
4
Ответ: 1)
Объяснение:
В первом случае, при замыкании ключа 2 лампочка не горит, а звонок работает.
Здесь от источника тока цепь на звонок замыкается, а цепь на лампочку остается разомкнутой.
Аноним:
дуже дякууую❤️
Вас заинтересует
1 год назад
1 год назад
1 год назад
1 год назад
3 года назад
3 года назад
8 лет назад