• Предмет: Физика
  • Автор: Аноним
  • Вопрос задан 2 года назад

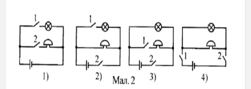
У якому випадку (малюнок 2) зображено
схему кола, в якому при замиканні ключа 2, дзвінок працює, а лампочка не світить?

Приложения:

Ответы

Ответ дал: zinovicgrigorij
4

Ответ:1)

Объяснение:

В первом случае, при замыкании ключа 2 лампочка не горит, а звонок работает.

Здесь от источника тока цепь на звонок замыкается, а цепь на лампочку остается разомкнутой.


dasaforostana96: здравствуйте! помогите пожалуйста, задание в профиле
Вас заинтересует