• Предмет: Физика
  • Автор: marcenukfresh
  • Вопрос задан 2 года назад

Чему равны V1 и V2, я не понимаю суть сопротивления

Приложения:

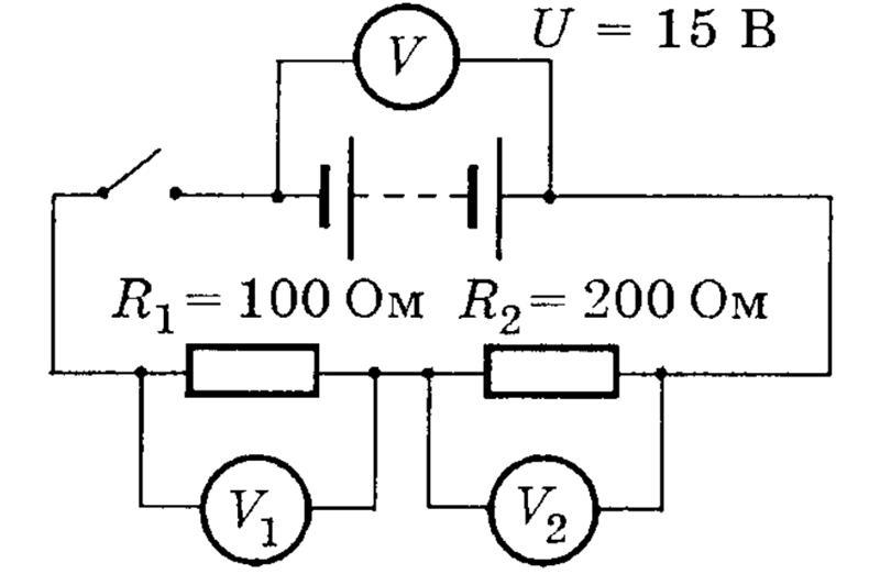
marcenukfresh: Rобщ=R1 R2=100 200=300 Ом
I=U/R=15/300=0,05 A
V1=IR1=0,05*100=5 В
V2=IR2=0,05*200=10 В

Ответы

Ответ дал: antonrogachevskiy112
1

Ответ:

Ну как я понял тут подвох в том что тут два источника тока и этим пытаются запутать, на ключ выключен и ток с левой стороны не идёт , тогда можно убрать этот источник тока и тогда получится простая схема с одним источником тока ну и тогда

R=R1+R2=300 Ом

I=U/R= 0,05 A

U1 = I * R1 = 5 B

U2 = I * R2= 10 B

Вас заинтересует