• Предмет: Физика
  • Автор: empeyli537
  • Вопрос задан 2 года назад

Срочно! 70 баллов
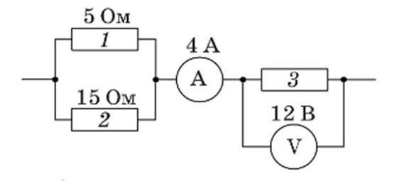
На рисунку подано схему ділянки електричного кола. Скориставшись даними рисунка, визначте опір цієї ділянки кола.

Приложения:

Ответы

Ответ дал: 555ai555
4

Ответ:

Объяснение:

R3 = U3/I = 12 /4 = 3 Ома

r12 = R1*R2 / (R1+R2) = 5*15 / (5+15) = 3.75 Ом

R = r12+R3 = 3.75+3= 6.75 Ом

Вас заинтересует