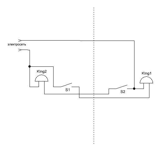
Начертите схему размещения электропроводки в двух помещениях так, чтобы при нажатии кнопки, находящейся в первом помещении, во втором помещении срабатывал звонок, и наоборот. Звонки должны питаться от одного источника.
Ответы
Ответ дал:
3
Ответ:
Объяснение:
Как то так .........................................
Приложения:

Вас заинтересует
1 год назад
1 год назад
1 год назад
1 год назад
3 года назад
8 лет назад