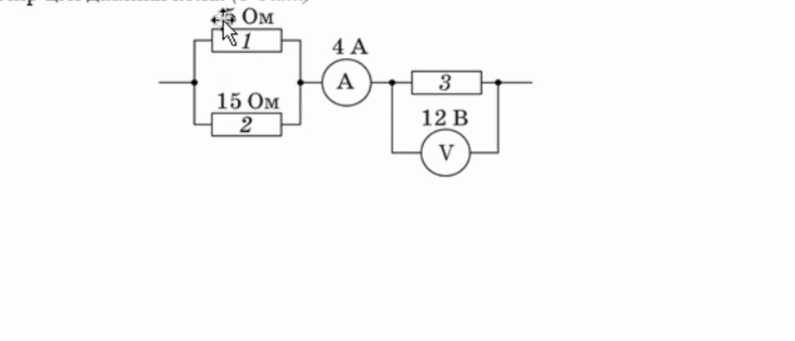
на рисунку подано схему ділянки електричного кола скориставшись даними рисунка визначте опір цієї ділянки кола
Приложения:

Ответы
Ответ дал:
11
Ответ:
6,75 Oм
Объяснение:
I₃=4 A;
U₃=12 B;
R₁=5 Oм;
R₂=15 Oм;
R ? R=1/(1/R₁+1/R₂)+R₃; R₃=U₃/I₃=12/4=3 Oм; R=1/(1/5+1/15)+3=6,75 Oм;
Вас заинтересует
1 год назад
1 год назад
1 год назад
3 года назад
3 года назад
8 лет назад
8 лет назад