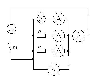
Накресліть схему електричного кола що складається з джерела струму двох опорів і електричної лампи з'єднаних паралельно амперметрів вольтметра і ключа
Ответы
Ответ дал:
1
Ответ:
Объяснение:
Как то так....................
Приложения:

Вас заинтересует
1 год назад
1 год назад
1 год назад
3 года назад
8 лет назад
8 лет назад