Куча баллов за ответ
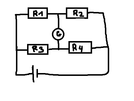
ЭДС источника = 2 В
R1 = 60 Ом
R2 = 40 Ом
R3 = R4 = 20 Ом
R гальванометра = 100 Ом
Найти ток через гальванометр
Рисунок во вложении
Приложения:

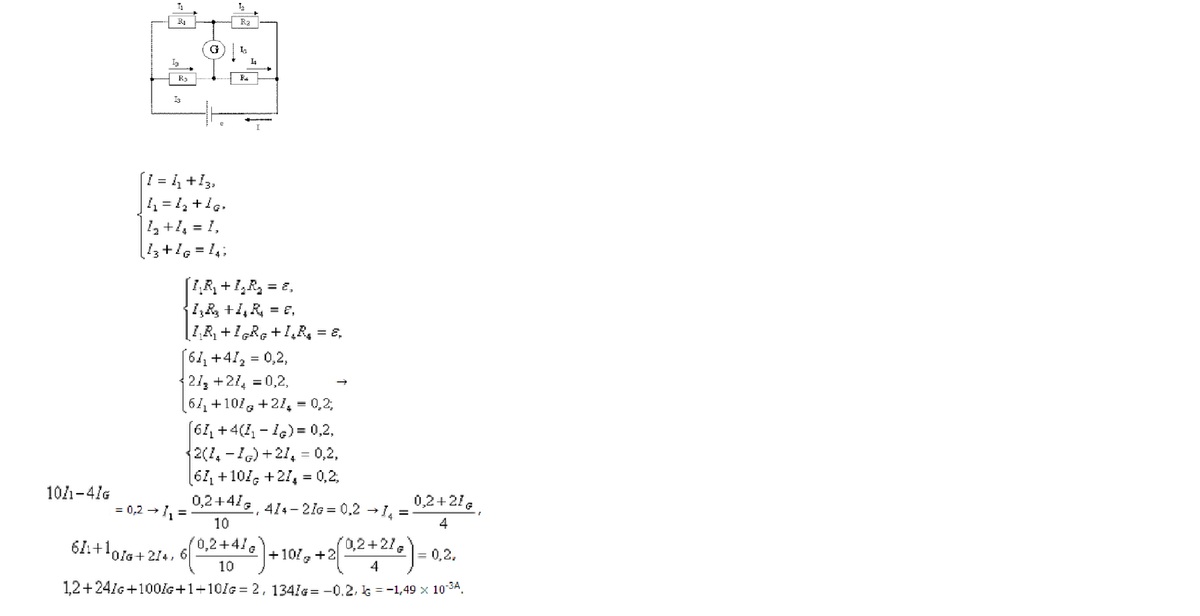
Ответы
Ответ дал:
0
......................................................................
Приложения:

Вас заинтересует
2 года назад
2 года назад
8 лет назад
10 лет назад
10 лет назад