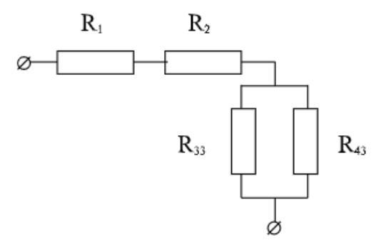
Ділянка кола складається з однакових резисторів опором 8Ом кожен (схема). На ділянку подано напругу 24 В. Визначте загальний опір ділянки, напругу на резисторі 2, силу струму в резисторі 4.

Ответы
Ответ:
Дано:
R1=R2=R3=R4=8 B;
U=24 B.
Знайти R, U2, I4.
1. Знаходимо опір ланки з резисторів R1 та R2:
R1,2=R1*n, де n-кількість однакових за опором послідовно-з'єднаних резисторів, для нашого випадку, n=2, тоді:
R1,2=R1*2=8*2=16 Ом;
2. Знаходимо загальний опір ланки з резисторів R3 та R4:
R3,4=R3/n, де n-кількість рівних за опором паралельно-зєднаних резисторів, для нашого випадку, n=2, тоді: R3,4=8/2=4 Ом.
3. Знаходимо загальний опір кола:
R=R1,2+R3,4=16+4=20 Ом;
4. Знаходимо загальний струм у колі:
І=U/R=24/20=6/5=1,2 A;
5. Знаходимо напругу на другому резисторі:
U2=I*R2=1,2*8=9,6 B.
6. Знаходимо напругу на четвертому резисторі:
U4=I*R3,4=1,2*4=4,8 В;
7. Знаходимо струм,який проходить через четвертий резистор:
I4=U4/R4=4,8/8=0,6 А.
Объяснение: