• Предмет: Физика
  • Автор: chu4agalina
  • Вопрос задан 2 года назад

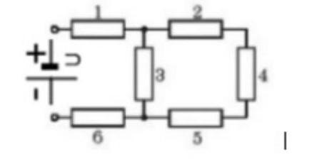
Определите общее сопротивление R участка цепи если R1 = R2 = R5 = R6 = 3 Ом R3 = 20 Ом R4 = 24 Oм. Чему равна сила тока и напряжение в каждом резисторе, если к участку цепи приложено напряжение 36 В.​

Приложения:

Ответы

Ответ дал: svjatoslawnechipor65
1

Ответ:

Дано:

R1=R2=R5=R6=3 Ом;

R3=20 Ом;

R4=24 Ом;

U=36 B.

Знайти R, I1, I2...I6, U1, U2...U6.

1. Знаходимо загальний опір ланки з резисторів R2, R4 та R5:

R2,4,5=R2+R4+R5=3+24+3=30 Ом.

2. Знаходимо загальний опір ланки з резисторів R3, R2, R4 та R5:

R3,2,4,5=R3*R2,4,5/R3+R2,4,5=20*30/20+30=12 Ом;

3. Визначаємо загальний опір кола:

R=R1+R6+R3,2,4,5=3+3+12=18 Ом.

4. Визначаємо струм, який проходить через перший резистор:

І1=U/R=36/18=2 A;

5. Визначаємо напругу на резисторі R1:

U1=I1*R1=2*3=6 B.

6. Напруга на резисторі R6 дорівнює напрузі на резисторі R1, оскільки R1=R6, тобто:

U6=U1=6 B.

7. Знаходимо напругу на резисторі R3:

U3=U-(U1+U6)=36-(6+6)=36-12=24 B;

8. Знаходимо струм, який проходить через третій резистор:

І3=U3/R3=24/20=1,2 A;

9. Знаходимо струми, які проходять через резистори R2, R4, R5:

I2=I4=I5=U3/(R2+R4+R5)=24/3+24+3=24/30=0,8 A.

10. Знаходимо струм, який проходить через резистор R6:

I6=I1, оскільки R1=R6.

11. Знаходимо напругу на резисторі R2:

U2=I2*R2=0,8*3=2,4 B;

12. Знаходимо напругу на резисторі R4:

U4=I4*R4=0,8*24=19,2 B;

13. Знаходимо напругу на резисторі R5:

U5=U2=2,4 B, оскільки R2=R5.

Объяснение:

Вас заинтересует