1)три проводника сопротивлением 12 Ом 12 Ом и 6 Ом соединены параллельно. Определите силу тока в первом проводнике если в неразветвленной части цепи сила тока равна 0,2А
2)определите силу тока и напряжение на каждом резисторе,если напряжение на всем участке электрической цепи равно 8В,R1=3ом,R2=5ом,R3=2ом,R4=6ом
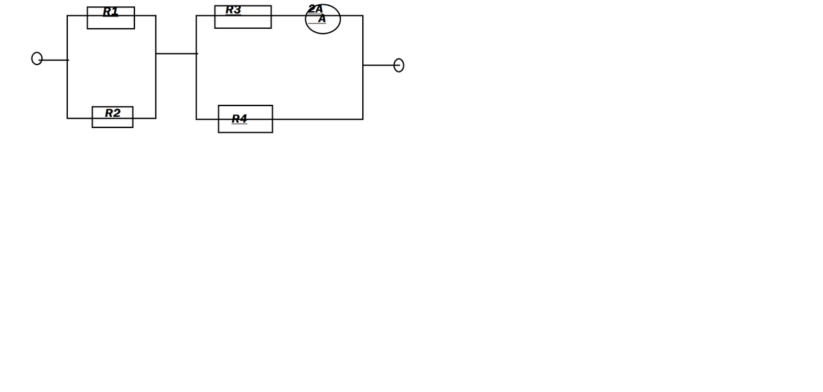
3)рассчитайте напряжение и силу тока на каждом резисторе R1=4ом,R2=4ом,R3=15ом,R4=15ом
решите задачи запишите дано,найти решение заранее спасибо)
Приложения:
Ответы
Ответ дал:
0
1) сначала найдем сопротивление в разветвленной части 1/R=1/12+1/12+1/6=3 Ом
теперь найдем напряжение на этом участке. U=IR=0.2*3=0.6
далее найдем силу тока I=U/R=0.6/12=0.05A
2) опять же находим общее сопротивление 1/R= 1/(3+5)+1/(2+6)=4
находим ток I=U/r=8/4=2
теперь по формуле U=IR находим на нужных участках силу тока.
3) опять представим разветвленные резисторы как один в первом R=2 во втором разветвлении R=7.5 по схеме видно что сила тока равна 4А ( 2А на разветвлении, следовательно в цепи 2+2=4) далее находим напряжение U=IR=30В (на втором разветвлении) а на первом разветвлении U=4*4=16В.
теперь найдем напряжение на этом участке. U=IR=0.2*3=0.6
далее найдем силу тока I=U/R=0.6/12=0.05A
2) опять же находим общее сопротивление 1/R= 1/(3+5)+1/(2+6)=4
находим ток I=U/r=8/4=2
теперь по формуле U=IR находим на нужных участках силу тока.
3) опять представим разветвленные резисторы как один в первом R=2 во втором разветвлении R=7.5 по схеме видно что сила тока равна 4А ( 2А на разветвлении, следовательно в цепи 2+2=4) далее находим напряжение U=IR=30В (на втором разветвлении) а на первом разветвлении U=4*4=16В.
Вас заинтересует
8 лет назад
11 лет назад
11 лет назад
11 лет назад