• Предмет: Физика
  • Автор: Py4ok
  • Вопрос задан 2 года назад

Срочно!!!
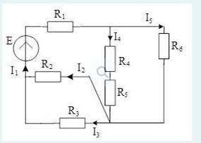
Визначити значення струму І4 та опір резистора R3, якщо відомо Е = 35 В; R1 = 4 Ом, R2 = 6 Ом, R4 = 5 Ом, R5 = 2 Ом, R6 = 2 Ом, I1 = 3,314 A

Приложения:

Ответы

Ответ дал: 555ai555
1

Ответ:

Объяснение:

U1 = R1*I1 = 4 * 3.314 = 13.256 B

r45 = R4+R5 = 5 + 2 = 7 Ом

r456 = r45*R6 / (r45+R6) = 7*2 / (7+2) = 1.556 Ом

U6 = I1 * r456 = 3.314 * 1.556 = 5.157 B

I4 = U6 / (r45) = 5.157 / 7 = 0.737 A

U3 = U2 = U - U1 - U6 = 35 - 13.256 - 5.157 = 16.587 В

I2 = U2 / R2 = 16.587 / 6 = 2.765 A

I3 = I1 - I2 = 3.314 - 2.765 = 0.549A

R3 = U3 / I3 = 16.587 / 0.549 == 30.213 Ом


555ai555: =)
Вас заинтересует