• Предмет: Физика
  • Автор: Аноним
  • Вопрос задан 2 года назад

Накресліть схему до складу якої входять: акумулятор, ключ, два резистори, амперметр, вольтметр, нагрівальний елемент. Два споживача з'єднайте паралельно​

Ответы

Ответ дал: 555ai555
0

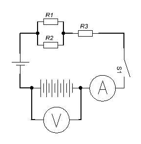
Ответ:

Объяснение:

R1, R2 - Резисторы

R3 - нагревательный элемент.

Внизу - аккумулятор

Слева - гальванический элемент

Приложения:

alice12324: КПД идеального теплового двигателя 80%. Температура нагревателя 127°C.
Определить температуру холодильника.​
https://znanija.com/task/53255650?utm_source=android&utm_medium=share&utm_campaign=question
alice12324: помогите с этой задачей
mazelov: Добрый вечер помогите пожалуйста с задачей по физике
mazelov: буду очень благодарен (там на 100 балов вопрос)
Вас заинтересует